vw teilemarkt

Drehzahlschwankungen

CoZFiVe
  • Themenstarter

Hallo leute

ich hab folgendes Problem. Und zwar im Stand schwanken meine Drehzahln ganz schön arg. geh auch manchmal so weit runter das er fast ausgeht. Ich habe schon viel hier gelesen aber nichts was auf mich zu trifft. Drosselklappe hab ich als erstes sauber gemacht wurde ein wenig besser. Liegt es vielleicht damit zusammen das er auch nur wirklich im stand war wird also da geht er erst auf die 90 grad rauf und der fahrt geht gar nichts hoch an der temperatur aber luft ist trotzdem ein wenig warm.
Ich habe mal ein Video gemacht wie es aus sieht.


Ich danke um jede Hilfe

gruß max



Das hört sich an als würdest du gasgeben.....

Gruß Tina


CoZFiVe
  • Themenstarter

Nein ich gebe kein Gas sorry hab ich vergessen dazu zu schreiben...



das habe ich im stand auch


@ Tina Also es ist normal das er nachreguliert, vorallem wenn verbraucher eingeschaltet sind oder eben mehr Strom gebraucht wird. Aber so heftig darf es nicht sein...


also ganz so heftig es bei mir net geht aber fast aus


CoZFiVe
  • Themenstarter

ja wenn ich noch licht an mach und lüftung wirds noch krasser...weis jemand an was das liegt?


Also erstmal deine Leerlaufdrehzahl ist mir 1000 schon hoch normal sind 700 - 900

Zitat:

ja wenn ich noch licht an mach und lüftung wirds noch krasser...weis jemand an was das liegt?
Die Lichtmaschiene spannt den Riemen wenn sie Strom braucht bzw mehr bedarf beseht und somit muss der Motor "mehr" Leisten also reguliert er nach sollte sich aber wieder einpendeln... (korrigiert mich wenn ich falsch liege)

Mehr kann ich dir leider nicht sagen


Das "Nachregulieren" wegen der Verbraucher sind nur ein paar u/min.
Diese großen Schwankungen habe ich auch und die machen mich wahnsinnich... Vor allemm, wenn ich vom Gas gehe, pulsiert die Drehzahl richtig!
Der Fehlerspeicher spukt nix aus!

Ich hab versucht, der Ursache Herr zu werden und hab schon einiges gemacht:
Benzindruckregler getauscht :(
DK greinigt, dann noch eine andere eingebaut :(
Zündung verstellt mit etwas Erfolg
anderen Zündverteiler eingebaut ... das könnte es gewesen sein!
Das mit der Zündung muß ich noch genauer machen, wenn ich ne StroboLampe hab!



Könnte eventuell der Leerlaufsteller sein


tausch mal bei dir de kühlmittel temperatur fühler aus dann dürfte das prob gelöst sein


wo sitzt der?


CoZFiVe
  • Themenstarter

also leute danke erstmal für eure infos. hab mich heut auch nochmal drüber gemacht und hab da noch so paar sachen an denen es liegen kann. Die sache mit dem zündverteiler und kabel usw kans bei mir nich sein hab ich erst alles neu gemacht genau so wie zündzeitpunkt eingestellt. Ich hab die starke befürchtung das es der temperaturfühler ist oder die lichtmaschiene oder die batterie.
Welche Batterie habt ihr in euerem polo? Also ich wollt jetzt mal eine von bosch rein machen hab nur gute erfahrungen damit aber gleich mit 60ahm oder so in der richtung rein machen.

@PG40 meinst du mit deim fühler auch den fühler wo ich mein?

gruß max


Der Tempfühler sitzt am Sammelanschluß links am Motor.
Da gibts verschieden. Mit 2 und 4 Steckern.
Der könnte es sein, aber nur, wenn er kalt ist. Und ich ha das Prob auch, wenn er warm ist!


CoZFiVe
  • Themenstarter

Also ich hab ja nur den 4 poligen drin ich hab mich auch schon gewundert warum ich den 2 poligen nich hab weil meines wissens müssen die ja eigentlich neben einander sein..also wenn ich etz falsch lieg dann bitte sagen. also bei mir sinn die schwankungen immer wenn er ein bisschen geloffen ist wenn er kalt is macht der keinen mucks...


Wie kommst du auf Lima oder Batterie? Ist die Batterie öfter mal schlapp? Leuchtet die Ladekontrolleuchte?


CoZFiVe
  • Themenstarter

naja die batterie is nimmer die jüngste und ich wunder mih eh das in dem ne 44ahm batterie drin ist. also ich bin ja der meinung das es was elektronisches sein muss und dann fang ich hall mal da an. morgen also besser gesagt heut werd ich mal die zwei fühler tauschen und dann geb ich mal durch ob des was gebracht hat wenn nich dann wirds mit der batterie weiter gehn.
und wegen der kontrolllampe ja die leuchtet wenn er mit den drehzahln zu weit runter geht.


Die Kontrollampe leuchtet, weil bei niedriger Drehzahl zu wenig Saft durch die Leitungen geht. Ursache ist da nicht die Batterie sondern die Drehzahl!

Die Fühler mit 4 Kabeln erledigen 2 Dinge auf einmal; sind die neueren.
Ältere Motore haben da 2 Fühler sitzen. Für warm und Kalt.... Also alles normal.


Zitat:

Die Kontrollampe leuchtet, weil bei niedriger Drehzahl zu wenig Saft durch die Leitungen geht. Ursache ist da nicht die Batterie sondern die Drehzahl!


Stimmt zu 90%.



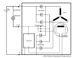
Nehmen wir an, die Lima dreht sich nicht und der Zündschalter ist eingeschaltet.
Dann fließt ein Strom von Batterie-(+) über den Zündschalter durch die Kontrollleuchte in den Lichtmaschinenregler, der damit die Erregerwicklung versorgt, so dass sofort Spannung induziert wird, sobald sich die Lima dreht.
Weil ein Strom durch die Kontrollleuchte fließt, leuchtet diese.

Man sieht in der Mitte der Schaltung einen kleinen Hilfsgleichrichter. Aus dem kommt Spannung, sobald sich die Lima dreht. Beim Orgeln dreht diese sich aber so langsam, dass nur vielleicht ein oder zwei Volt dort anliegen. Der Erregerstrom kommt demnach immer noch von der Batterie über die Kontrollleuchte, die demnach noch leuchtet.

Mit zunehmender Drehzahl nach dem Anspringen des Motors steigt die Spannung hinter dem Hilfsgleichrichtet und erreicht bald die Batteriespannung. (Bruchteile von Sekunden)
Der Ausgang vom Hilfsgleichrichter ist aber auch zugleich am Ausgang der Kontrollleuchte angeschlossen. Wenn die Spannung aus dem Hilfsgleichrichter die gleiche Höhe erreicht, wie die Batteriespannung, liegt also auf beiden Seiten der Kontrollleuchte die gleiche Spannung an. (+12V). Also geht die Leuchte aus.

Wenn die Kontrollleuchte leuchtet, heißt das also nichts anderes, als dass aus dem Hilfsgleichrichter weniger Spannung heraus kommt, als die Batterie hat. Das ist dann der Fall, wenn die Lima zu langsam dreht und hat tatsächlich nichts mit der Kapazität oder dem Zustand der Batterie zu tun.


Zitat:
Die Fühler mit 4 Kabeln erledigen 2 Dinge auf einmal; sind die neueren. Ältere Motore haben da 2 Fühler sitzen. Für warm und Kalt.... Also alles normal.


Ich habe irgendwo gelesen, ein Fühler (blau) wäre für das Steuergerät und der andere wäre für die Temperaturanzeige im Kombiinstrument.


Zitat:
"Ich habe irgendwo gelesen, ein Fühler (blau) wäre für das Steuergerät und der andere wäre für die Temperaturanzeige im Kombiinstrument. "


Das kann auch sein.


ich würd mal auf den leerlaufregler tippen ... ist mir schon öfter mal zu ohren gekommen das des dinger ne macke haben ...
würd den einfach mal rausbauen und schön sauber machen ...
evt nen neuen kaufen die dinger kosten ca. 25 euro


Aber der Threadersteller hat einen AKV. Das ist soweit ich weiß ein MPI und die haben soweit ich weiß keinen separaten Leerlaufsteller sondern die Drosselklappe macht das in einem mit. Da ist so ein Motörchen drin, das die Drosselklappe in den ersten 10-20° Öffnungswinkel automatisch auf und zumacht und das wird vom Steuergerät immer so geregelt, dass die Drehzahl konstant geregelt werden sollte. Aber das scheint halt nicht so einfach zu sein, wie wir alle denken. So kann ein bisschen Schmutz in der DK den Regelalgorithmus in den Wahnsinn treiben, dass man am Ende so ziemlich das genaue Gegenteil einer konstanten Drehzahl hat. VW halt.


CoZFiVe
  • Themenstarter

hey leutz erstmal wieder ein dickes danke an eure kommis also hier lernt man echt nicht aus xD hab heut mal die zwei fühler gewechselt und ja der blau is bei den älteren motor drin fürs steuergerät die neun ham das nich nur den schwarzen. so des mit der temaperatur hat sich etz erledigt funzt wieder alles *yeah* des mit den drehzahln hat sich jetzt wenn er kalt is sehr beruhigt erst wenn er warm wird fängts an aber wenn ihr sagt batterie kanns nich sein wo soll ich weitersuchen? DK hab ich blitze blank sauber gemacht. was mir aber heut aufgefallen ist wo ich nich versteh ist wenn ich ihn auf 2500 Umdrehungen halte ist da irgendenwie ein komisches blubben drin kenn ihr das? ich kanns leider nich filmen da hört man es nicht. Sollt ich doch nochmal die ganze zündung kontrollieren? Oder was haltet ihr von der idee mit der lima?

gruß max


Zündung!
Die Lima hat nix mit der Verbrennung zu tun!


Stimmt, sehe ich auch so. Lima und Zündung haben so gut wie nichts miteinander zu tun. Trotzdem frage ich mich (als Theoretiker), warum und wie die Zündung Drehzahlschwankungen erzeugen soll. Ich halte mich jetzt mal mit eigenen Vermutungen zurück und warte die Auflösung ab. Bin gespannt, wie ein Flitzebogen.


CoZFiVe
  • Themenstarter

Also leute heut wird die zündung nochmal eingestellt aber ich denk das es nicht dadran liegt. Ich schätze das der spannungsregler nenn schuss hat weil es is ja eig nur so schlimm wenn mehr sachen an sind und dann muss es nach meiner theorie her nur was mim strom zu tun haben..ich werd des heut abend sehn und ich geb euch bescheid...


CoZFiVe
  • Themenstarter

so falls es jmd interessiert war etz in zwei werkstätten die erste hat die zündung nachgeschaut und gesagt die passt die andere meinte total verstellt..und neu eingestellt er schnurrt wie ein kätzchen..also mein entschluss ist immer zwei meinungen einholn und danke nochmal für eure hilfe


Ja dann kann ich auch noch was zm Thema sagen!
Bei mir waren es ein undichter Schlauch(zum BKV) und der poröse Dichtring zwischen DK und Ansaugbrücke!
Da konnte ich auch die DKs wechseln wie ich wollte... Erst als ich noch Dichtmasse dazwischen gepackt habe, funzte es wieder!


Antworten erstellen

Ähnliche Themen